網絡攝像機基本概念及組成
1、基本概念
網絡監控攝像頭係統結構如下:

工作原理:被攝物體經鏡頭成像在影像傳感器表麵,形成微弱電荷並積累,在相關電路控製下,積累電荷逐點移出,經過濾波、放大後輸入DSP進行圖像信號處理和編碼壓縮,最後形成數字信號輸出。
2、網絡攝像機的組成
網絡攝像機組成模塊如下:
序號 組成模塊 說明
1 攝像機鏡頭 網絡攝像機的前端部件
2 濾光片 濾除紅外線與修整進光
3 音視頻傳感器 拾聲器或叫麥克風 / 有CMOS和CCD兩種,現在市麵上大部分為CMOS
4 A/D轉換器 將圖像和聲音等模擬信號轉換成數字信號
5 音視頻編碼器 硬件編碼壓縮與軟件編碼壓縮
6 控製器 用於管理控製,有獨立部件和與DSP集成兩種
7 網絡服務器 提供網絡功能(遠程訪問與操作控製)
8 控製接口 如控製雲台的485接口,用於報警信號的I/O口
3、網絡攝像機的一般性技術指標
網絡攝像機的一般性技術指標如下:序號 技術指標 說明
1 分辨率 一般線數來表示,代表清晰度,如720P、1080P
2 像素 構成影像的最小單位(Pixel),如200萬像素、400萬像素
3 照度 測量攝像感光度的一種方法(Lux)
4 電源 交流有AC、DC,POE+等供電方式
6 音頻 可支持音頻輸入和輸出的攝像機
4、攝像機圖像傳感器介紹(概念普及)
目前主流廠家鏡頭主要采用的為CMOS。
序號 圖像傳感器 優點 缺點
1 CCD (Charged Coupled Device)電荷耦合器件 | 靈敏度,信噪比,成像質量 | 成本、動態範圍、功耗、製造加工
2 CMOS(Complementary Metal Oxide Semiconductor)互補金屬氧化物半導體|成本、動態範圍、功耗|靈敏度、信噪比、成像質量
3 DIS(Digital Image System)|采用SOC技術,把Sensor和DSP集成在一個芯片上|體積小、集成度高、可靠性高、功耗低
5、雲台、防護罩介紹
1)雲台(Pan&Tilt)介紹
簡單來說,雲台是攝像機的安裝平台,可以水平和垂直的運動,將攝像機安裝於其上,實現攝像機多個自由度運動的裝置,滿足對固定監控目標的快速定位,或對大範圍監控環境的全景觀察。
雲台的分類

序號 分類規則 分類說明
1 承載能力
輕載雲台,最大負重20磅(9.08公斤);
中載雲台,最大負重50磅(22.7公斤);
重載雲台,最大負重100磅(45公斤);
防爆雲台,用於危險環境下、能夠防爆和防粉塵點燃的雲台,帶高轉矩交流電機和可調螺杆驅動,可負重100磅。
2使用環境
按使用環境分為室內型和室外型,主要區別是室外型密封性能好,防水、防塵,負載大。
3運動方向
水平旋轉雲台——僅能實現水平旋轉運動,故亦稱為轉台;
全方位雲台——既能夠作水平旋轉運動,也能夠作垂直俯仰運動,有的還能夠做結合兩者的複合運動。
4回轉範圍
水平旋轉有0~355度雲台,兩端設有限位開關,還有360度自由旋轉雲台,可以作任意個360度旋轉;
垂直俯仰均為90度(球形雲台為0~-90度)。
2)視頻監控攝像機防護罩
防護罩是使攝像機在有灰塵、雨水、高低溫等情況下正常使用的防護裝置。

防護罩簡單分類
序號 分類 說明
1室內用防護罩
結構簡單,價格便宜。其主要功能是防止攝像機落灰並有一定的安全防護作用,如防盜、防破壞等
2室外用防護罩
一般為全天候防護罩,即無論刮風、下雨、下雪、高溫、低溫等惡劣情況,都能使安裝在防護罩內的攝像機正常工作。一般這種防護罩具有降溫、加溫、防雨、防雪等功能。同時,為了在雨雪天氣仍能使攝像機正常攝取圖像,一般在全天候防護罩的玻璃窗前安裝有可控製的雨刷
3其他
半球形、球形防護罩,這種防護罩內置萬向可調支架,造型美觀
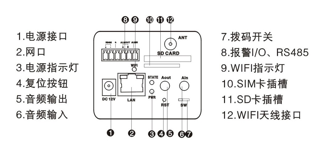
6、網絡攝像機後麵板接口示意圖

視頻監控攝像頭的主要功能指標詳述
序號 功能指標 說明
1日夜轉換
低照度場景中轉換為黑白模式,如夜間
2日夜全彩
日夜轉換的升級版本,從黑白模式升級為全彩模式
3白平衡
一般為自動,糾正圖像色溫,讓圖像更符合人眼視覺
4自動增益
將來自圖像傳感器的信號放大到可以使用水準的視頻放大器,其放大量即增益,並自動根據信號電平調整增益幅度
5背光補償
逆光情況下,使被拍的焦點清晰,但是背景會模糊
6寬動態
背光補償的升級版本,讓背景更清晰
7IP(防塵、防水能力)
防塵、防水的等級,多為IP67
1、日夜轉換模式和夜間全彩
1)日夜轉換
白天彩色,晚上黑白,白天彩色/晚上黑白(COLOR/MONO)攝像機是利用黑白影像對紅外線感度較高的特點,在一定的光源條件,利用線路切換的方式將影像由彩色轉為黑白,以便於搭配紅外線。
在白天或光源充足時為彩色攝像機,當夜晚降臨或光源不足時(一般在1LUX~3LUX)利用數位電路將彩色信號消除掉,成為黑白影像。
日夜轉換模式:電子式(軟件的轉換)、機械式(ICR)CCD硬件的轉換。

2)日夜全彩
在微光情況下,通常是是指星光環境下無任何輔助光源,可以顯示清晰的彩色圖像,區別於日夜轉換模式的攝像機,日夜轉換攝像機隻能顯示黑白圖像。
2、最低照度
表示攝像機能夠正常輸出圖像的最低照度值,也稱為靈敏度。是CCD對環境光線的敏感程度,或者說是CCD正常成像時所需要的最暗光線。照度的單位是勒克斯(LUX),數值越小,表示需要的光線越少,攝像頭也越靈敏。
單位:Lux(勒克斯)
以攝像機正常工作照度範圍劃分:
序號 工作照度 說明
1普通型 1~3 Lux
2月光型 0.1 Lux左右
3星光型 0.01 Lux以下
4紅外型 0 Lux,采用紅外燈照明,在沒有光線的情況下也可以成像
備注:1LUX大約等於1燭光在1米距離的照度,是攝像機參數規格中常見的最低照度,表示該攝像機隻需在所標示的LUX數值下,即能獲取清晰的影像畫麵。

在超低照度下,仍可獲高清晰度、亮麗的圖像。
一般情況下:
夏日陽光下為100,000LUX;陰天室外為10000LUX;
室內日光燈為100LUX;距60W台燈60CM桌麵為300LUX;
電視台演播室為1000LUX;黃昏室內為10LUX;
夜間路燈為0.1LUX;燭光(20CM遠處)10~15LUX。
3、白平衡
白平衡隻用於彩色攝像機,實現攝像機圖像能精確反映景物實際狀況,確保在不同色溫環境下正確表示色彩,有手動白平衡和自動白平衡兩種方式。

1)自動白平衡
連續方式,此時白平衡設置將隨著景物色彩溫度的改變而連續地調整,各家廠商改變範圍,如2800~6000K 。這種方式對於景物的色彩溫度在拍攝期間不斷改變的場合是最適宜的,使色彩表現自然,但對於景物中很少甚至沒有白色時,連續的白平衡不能產生最佳的彩色效果。

2)手動白平衡
開手動白平衡將關閉自動白平衡,此時改變圖像的紅色或藍色狀況有固定的等級供調節,如增加或減少紅色各一個等級、增加或減少藍色各一個等級。
4、自動增益
自動增益 AGC(Auto Gain Control)將來自圖像傳感器的信號放大到可以使用水準的視頻放大器,其放大量即增益,並自動根據信號電平調整增益幅度。
使用ACG功能可以提升攝像機的動態範圍(如夜間光照不夠的時候進行監視),但是自動增益是無差別增益,會將噪聲一同放大。
自動增益一般用在照度不夠的時候,就是加大前級放大,不過放大之後,隨之而來的就是顆粒感增加。

在照度過大時,就是減少前級放大,這也減少了相應的寬容度(圖像隨之感覺區分度不夠)。
5、背光補償和寬動態
1)背光補償
采用背光補償技術,讓攝像機找到拍攝最佳圖像的參考亮度,然後自動提供適當的光補償量,幫助用戶很好地識別一個背部光照很強的物體。背光補償往往針對目標圖像的特定區域有效。

2)寬動態
背光補償功能的升級版,不僅拍攝焦點清晰,背景也清晰。針對逆光場景,寬動態技術在後景區域使用短快門曝光,在前景區域使用長快門曝光,生成合成圖像。

使用寬動態技術,可以既能看清圖像暗處的細節,而圖像亮處又不過曝,寬動態技術可獲得比背光補償技術更加清新、豔麗的圖像。
6、IP防護等級
IP(Ingress Protection)防護等級由IEC製定,由兩位數字組成,一般攝像機會做到IP67,IP後的兩位數字具體含義如下表所示:
等級 防塵(IP後第1位數字) 防塵說明 防水(IP後第2位數字) 防水說明
0 |無防護| 對外界的人或物無特殊的防護|無防護|對水或濕氣無特殊的防護
1 |防止直徑大於50mm的固體外物侵入 |防止人體(如手掌)因意外而接觸到電器內部的零件,防止較大尺寸(直徑大於50mm)的外物侵入 |防止水滴浸入
|垂直落下的水滴(如凝結水)不會對電器造成損壞
2 |防止直徑大於12.5mm的固體外物侵入 | 防止人的手指接觸到電器內部的零件,防止中等尺寸(直徑大於12.5mm)的外物侵入 |傾斜15度時,仍可防止水滴浸入|當電器由垂直傾斜至15度時,滴水不會對電器造成損壞
3 |防止直徑大於2.5mm的固體外物侵入|防止直徑或厚度大於2.5mm的工具、電線及類似的小型外物侵入而接觸到電器內部的零件|防止噴灑的水浸入|防雨或防止與垂直的夾角小於60度的方向所噴灑的水侵入電器而造成損壞
4 |防止直徑大於1.0mm的固體外物侵入|防止直徑或厚度大於1.0mm的工具、電線及類似的小型外物侵入而接觸到電器內部的零件 |防止飛濺的水浸入|防止各個方向飛濺而來的水侵入電器而造成損壞
5 |防止外物及灰塵|完全防止外物侵入,雖不能完全防止灰塵侵入,但灰塵的侵入量不會影響電器的正常運作|防止噴射的水浸入|防止來自各個方向由噴嘴射出的水侵入電器而造成損壞
6 |防止外物及灰塵|完全防止外物及灰塵侵入|防止大浪浸入|裝設於甲板上的電器,可防止因大浪的侵襲而造成的損壞
7 ||防止浸水時水的浸入|電器浸在水中一定時間或水壓在一定的標準以下,可確保不因浸水而造成損壞
8 ||防止沉沒時水的浸入|電器無限期沉沒在指定的水壓下,可確保不因浸水而造成損壞
攝像機鏡頭介紹
1、與攝像頭相關的術語
攝像機鏡頭是視頻監視係統的非常關鍵的設備,它的質量(指標情況)優劣直接影響攝像機的整機指標,攝像機鏡頭的選擇既關係到係統質量,又關係到項目造價。
序號 術語 術語說明
1 焦距/變焦 焦距指鏡頭中心到焦點的距離(mm)/焦距可調,可分為短焦距、標準焦距、長焦距、變焦距
2 長焦鏡頭 光學變焦能力較強的鏡頭,一般都在10倍以上
3 視場/視場角 成像範圍/視場邊緣與鏡頭後節點所形成的夾角,可分為廣角(f<4mm)、標準(f約為8~9mm)、遠攝鏡頭(f>12mm)
4 光圈/快門 控製曝光大小的裝置(f)/控製曝光時間的裝置,可分為手動光圈定焦、自動光圈定焦、自動光圈變焦
5光圈係數 好比控製曝光量的尺度,f值越小則通光量越大。
2、鏡頭景深
景深是拍攝對象在平麵上成清晰像的空間深度,是鏡頭前一定長度的空間,當拍攝對象處於此空間時,拍攝對象在底片上的成像位置正好在焦點前後兩個彌散圓之間。

攝像空間所處的這段長度,叫做景深。簡單的說,就是拍攝對象清楚到模糊的距離。當光圈越大,景深就越接近,而光圈越小,景深也就越遠。
3、鏡頭視場角
視場角簡單的說就是以鏡頭為頂點,攝像機可以拍攝到的最大角度。

視場角的大小決定了鏡頭的視野範圍,視場角越大,視野就越大。
通俗地說,目標物體超過這個角就不會被收在鏡頭裏。
1)監控攝像頭鏡頭視場角分類
標準鏡頭視場角在53°左右,遠攝鏡頭視場角≤20°,廣角鏡頭視場角≥90°,魚眼鏡頭視場角≥180°

鏡頭視場角示意圖:

4、鏡頭焦距
焦距的大小決定著視場角的大小,焦距數值小,視場角大,所觀察的範圍也大,但距離遠的物體分辨不很清楚;焦距數值大,視場角小,觀察範圍小,隻要焦距選擇合適,即便距離很遠的物體也可以看得清清楚楚。

焦距和視場角是一一對應的,一個確定的焦距就意味著一個確定的視場角,所以在選擇鏡頭焦距時,需要充分考慮觀測細節重要,還是觀測範圍重要,如:需要看細節,選擇長焦距鏡頭;需要看近距離大場麵,就選擇小焦距的廣角鏡頭。
1)鏡頭焦距的測算,估算法(適用於4mm以上的鏡頭)
例:某人距離攝像機10米
要看清人臉,用20mm左右的鏡頭;
要看清人體輪廓,用10mm左右的鏡頭;
要監控人的活動畫麵,用5mm左右的鏡頭:
測算示例如下:
監控距離(米) 看清細節特征(人臉等) 看清體貌特征(人的輪廓等) 看清行為特征(人物活動)
X 焦距:2X(mm) 焦距:X(mm) 焦距:X/2(mm)
定焦距鏡頭一般分為長焦距鏡頭,中焦距鏡頭和短焦距鏡頭。
5、鏡頭焦距的測算
視場和焦距的計算 視場係指被攝取物體的大小,視場的大小是以鏡頭至被攝取物體距離,鏡頭焦頭及所要求的成像大小確定的。
鏡頭的焦距、視場大小及鏡頭到被攝取物體的距離的計算如下: f=wL/W 2、f=hL/h ,即圖像高度*物距/ 物體高度
f:鏡頭焦距;
w:圖象的寬度(被攝物體在ccd靶麵上成象寬度)
L:被攝物體至鏡頭的距離
W:被攝物體寬度
h:圖象高度(被攝物體在ccd靶麵上成像高度)視場(攝取場景)高度
H:被攝物體的高度
6、鏡頭焦距的選擇(示例)
中焦距鏡頭是焦距與成像尺寸相近的鏡頭;焦距小於成像尺寸的稱為短距鏡頭,短焦距鏡頭又稱廣角鏡頭,該鏡頭的焦距通常是28mm以下的鏡頭,短焦距鏡頭主要用於環境照明條件差,監視範圍要求寬的場合,焦距大於成像尺寸的稱為長焦距鏡頭,長焦距鏡頭又稱望遠鏡頭,這類鏡頭的焦距一般在150mm以上,主要用於監視距離較遠處的景物。

參考表:

視頻監控係統-後端相關設備
1、網絡視頻錄像機(NVR)
NVR是Net Video Recorder的縮寫 ,其主要功能是對網絡音視頻數據進行集中存儲和檢索
主要工作原理:

2、混合型網絡硬盤錄像機(H-DVR)
H-DVR(Hybrid DVR)混合型DVR或複合DVR;可同時接入模擬攝像機和網絡攝像機(H-DVR = DVR + NVR)
3、監控攝像機控製設備
1)解碼器
監控解碼器是監控係統中的前端控製設備,其主要是采用微處理器來解碼控製信號對萬向雲台、變焦鏡頭、輔助開關等進行控製。
每個解碼器上都有一個撥碼開關,它決定了該解碼器在該係統中的編號(即ID號),在使用解碼器時首先必須對撥碼開關進行設置使其與係統中的攝像機編號保持一致。
2)矩陣
視頻矩陣是指通過陣列切換的方法將多路視頻信號任意輸出至多個監看設備上的電子裝置(一般情況下矩陣的輸入大於輸出)。另外有一些視頻矩陣也帶有音頻切換功能,能將視頻和音頻信號進行同步切換,這種矩陣也叫做視音頻矩陣。
3)畫麵分割器
畫麵分割器主要是通過圖像壓縮和數字化處理的方法把多個監控圖像壓縮在一個監視器屏幕上進行顯示。
4)監視器
監視器是視頻監控係統的重要設備之一,係統前端中所有攝像機的圖像信號以及記錄後的回放圖像信號都將通過監視器顯示出來。所以,選擇質量好、技術指標能與整個係統設備的技術指標相匹配的監視器是非常重要的。
監控屏、存儲和網絡,後期午夜影院污污视频在視頻監控係統實戰篇的時候進行介紹。


